微信公众号
ENGLISH
首 页
组织管理架构
中国国际核聚变能源计划执行中心
中心职能
现任领导
历届领导
组织机构
中方参与ITER计划管理
ITER中国制造
采购包实施
磁体支撑
校正场线圈系统
环向场线圈导体
极向场线圈导体
校正场线圈导体和磁体馈线导体
磁体馈线系统
包层第一壁
包层屏蔽模块
气体注入系统
辉光放电清洗系统
极向场线圈交直流变流器电源
无功补偿及滤波系统
高压脉冲变电站
诊断系统
TBM
采购包项目管理
核聚变采购包专项标准
知识产权管理
进度计划管理
质量管理体系
技术工作组
运输与物流
国际合同
PF6
ITER组织外包合同和外聘专家
聚变专项管理
重要会议
重要成果
项目管理规则
研究专项
指南发布
通知通告
项目评审
公告公示
中期检查
在线填报
聚变国际合作
ITER组织管理
ITER理事会
IO-DA
国际职员派遣
ITER国际学校
中美合作
中日合作
中欧合作
中韩合作
中日韩合作
中俄合作
中方与ITER组织
中方与国际能源署
中法聚变联合研究中心
党建工作
学习贯彻习近平新时代中国特色社会主义思想主题教育
支部建设
党风廉政
群工统战
党史学习教育
科普园地
聚变知识
ITER计划
中国与ITER计划
微信公众号
ENGLISH
首 页
组织管理架构
中国国际核聚变能源计划执行中心
中心职能
现任领导
历届领导
组织机构
中方参与ITER计划管理
ITER中国制造
采购包实施
磁体支撑
校正场线圈系统
环向场线圈导体
极向场线圈导体
校正场线圈导体和磁体馈线导体
磁体馈线系统
包层第一壁
包层屏蔽模块
气体注入系统
辉光放电清洗系统
极向场线圈交直流变流器电源
无功补偿及滤波系统
高压脉冲变电站
诊断系统
TBM
采购包项目管理
核聚变采购包专项标准
知识产权管理
进度计划管理
质量管理体系
技术工作组
运输与物流
国际合同
PF6
ITER组织外包合同和外聘专家
聚变专项管理
重要会议
重要成果
项目管理规则
研究专项
指南发布
通知通告
项目评审
公告公示
中期检查
在线填报
聚变国际合作
ITER组织管理
ITER理事会
IO-DA
国际职员派遣
ITER国际学校
中美合作
中日合作
中欧合作
中韩合作
中日韩合作
中俄合作
中方与ITER组织
中方与国际能源署
中法聚变联合研究中心
党建工作
学习贯彻习近平新时代中国特色社会主义思想主题教育
支部建设
党风廉政
群工统战
党史学习教育
科普园地
聚变知识
ITER计划
中国与ITER计划
科普园地
聚变知识
ITER计划
中国与ITER计划
聚变知识
首页
>
科普园地
>
聚变知识
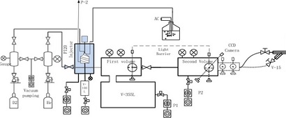
聚变装置的燃料补充利器——弹丸注入加料系统
众所周知,聚变反应会不断的消耗燃料粒子,所以现在的托卡马克装置乃至未来的聚变堆都需要不断的补充燃料以维持聚变反应。目前,托卡马克装置的加料方式主要有:喷气注入,超声分子束注入,弹丸注入。喷气注入和超声分子束注入都是将聚变燃料(H2、D2、T2)以气体形式注入托...
2014-09-23
“人造太阳”照亮未来能源之路
太阳普照大地,孕育万物,其能量来自于内部一刻不停的聚变反应。根据爱因斯坦的质能关系理论,质量亏损可转化成能量。聚变反应就是两个较轻的原子核,主要是氢或重氢(氢的同位素),聚合成一个较重的原子核时质量亏损,从而释放出能量的过程。可以说,核聚变离我们的生活并不遥远。
2013-11-15
核聚变装置的温度计——之激光诊断系统
温度和密度分布是托卡马克核聚变装置中重要的诊断参数,如何精确测量高达几千万度甚至上亿度等离子体内部的温度密度,是一个重要的测量问题。自从激光器问世以来,激光散射已经发展成为磁约束等离子体研究中的重要诊断方法之一,可以测量电子温度和密度的空间分布和时间演化。
2013-10-30
“大火炉”里的炉底——趣说聚变装置中的偏滤器
家在北方的人可能还记得,小时候在冬天很冷的时候都要烧那种燃煤的火炉,用来取暖。一家人围坐在一起,聊些家长里短。小孩还要不时的用火钳把煤渣从炉底夹到撮箕里。不然的话,炉膛里燃烧的煤变成煤渣透过炉箅子掉到炉底太多的会堵塞炉子,火燃烧不旺甚至有可能灭掉。
2013-10-25
核聚变装置低杂波加热系统
热核聚变要解决的两个主要问题是;第一,如何将等离子体加热到足够高的反应温度;第二,如何将有充分高密度的高温等离子体约束足够长的时间。低杂波是目前用来进行非感应电流驱动和加热的有效手段。
2013-09-29
磁约束聚变装置原理
目前比较有希望的两种实现聚变的方法分别是磁约束核聚变和惯性约束核聚变。惯性约束聚变的原理很是简单,就是通过激光产生的巨大的压强,使核燃料体积在极短的时间内变小,密度变大,原子核发生聚变反应,释放出能量。而磁约束核聚变则是利用磁场来约束温度极高的等离子体的核燃料...
2012-10-26
什么是核聚变
核聚变,又称核融合、融合反应或聚变反应,是将两个较轻的核结合而形成一个较重的核和一个很轻的核(或粒子)的一种核反应形式。
2012-10-15
受控核聚变基本原理
在一定条件下,一个氘核(由一个质子一个中子组成)和一个氚核(由一个质子和二个中子组成)会发生聚变核反应,生成一个氦核(二个质子和二个中子组成),并放出一个中子。精密的测量表明,氦核加上一个中子的质量之和小于一个氘核与氚核反应前的质量之和!发生了明显的质量亏损。
2012-10-04
首页
1
2
3
4
5
下一页
尾页
查看更多(2/6)